老虎机app

欢迎访问老虎机app 官方网站

老虎机app公告

老虎机app 相关医疗设备(配件)院内采购报名公告 (中心手术室)

发布时间:2024-05-30来源:编辑:浏览:

分享到:

 

科室名称

项目名称

厂家型号规格

计量单位

数量

预算单价(万元)

预算总价(万元)

中心手术室

体内除颤电极板(成人)

M4743A(飞利浦)

2

1

2

中心手术室

体内除颤电极板(儿童)

M4744A(飞利浦)

1

1

1

中心手术室

不锈钢工作台

85*65cm

2

0.16

0.32

中心手术室

不锈钢器械车

110*70*100cm

2

0.24

0.48

中心手术室

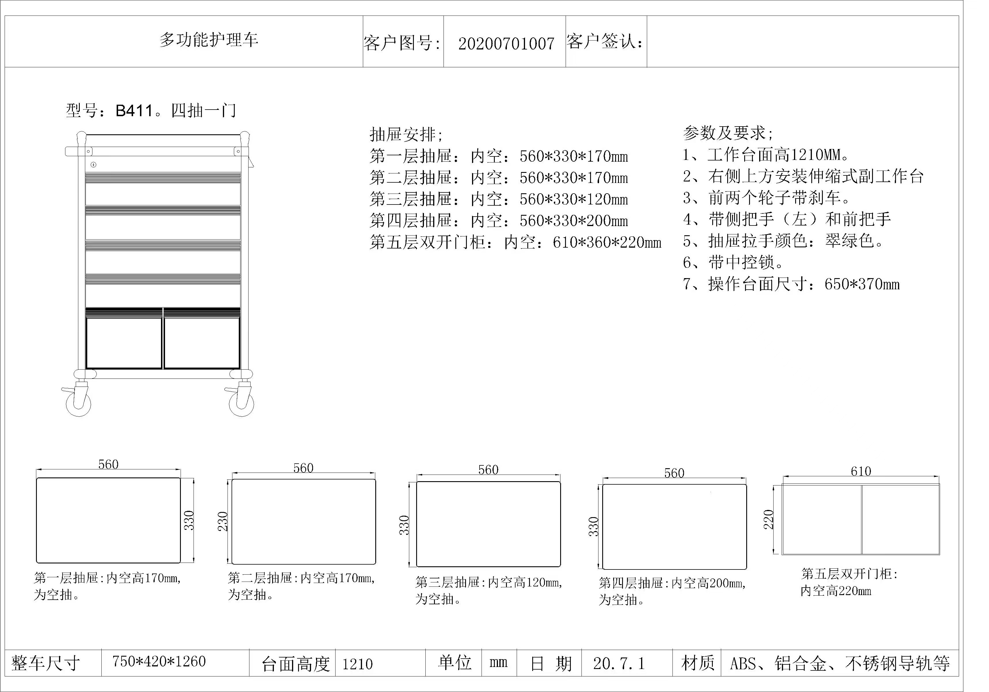
多功能护理车

750*420*1260mm

1

0.62

0.62

 

报名资料:

一、符合资质的单位持以下有效文件报名,所有资质均需加盖公章:

1.代理商企业营业执照

2.生产商营业执照

3.代理人授权书(含个人授权书)等有关证件。

4.属于医疗器械的产品,报名人提供整个授权链条的医疗器械经营许可证/备案,以及生产商营业执照、医疗器械生产许可证;同一品牌授权多家代理商的则报名无效或视同一家。

二、调研资料清单

1. 医疗设备情况调研表(医疗设备基本情况调研表.xlsx

2. 医疗设备参数及配置清单

3. 销售记录:三家以上三甲医院销售发票、中标通知书或合同复印件

三、资料提交

电子版文件发送至邮箱:zsyygxyyyxgcb@163.com以以报名公司+挂网日期+科室名称+项目名称命名),报名公司需扫描2024年设备挂网报名二维码填写相应信息(点击下载

联系方式:0771-5722390

四、报名时间:2024530日至202465

报名截止时间:20246518:00

 

不锈钢工作台

工作台.png


 

不锈钢器械车

 器械车.png


 

多功能护理车

护理车1.png

护理车2.png




返回顶部